Válvula Co. de Wenzhou Joepai, Ltd.
Válvula Co. de Wenzhou Joepai, Ltd.
Notícias

Notícias

JOEPAI lança novas válvulas econômicas de aço inoxidável 304 para hidrantes - resistência superior à corrosão atende aos padrões AS2419.2

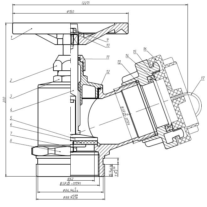
JOEPAItem o orgulho de apresentar sua mais recente inovação em infraestrutura de proteção contra incêndio: oNova Gama deVálvulas de hidrante de aço inoxidável 304. Projetadas para durabilidade, conformidade e valor, essas válvulas oferecem umaalternativa superior aos modelos tradicionais de latão—proporcionando maior resistência à corrosão a um preço mais competitivo.

Projetado de acordo comAS/NZS 2419.2:2009, as novas válvulas para hidrantes são ideais para uma ampla gama de aplicações, incluindo sistemas de incêndio comerciais, industriais e residenciais, especialmente emambientes agressivos, como marinhos e de mineração.


Stainless Steel 304 Fire Hydrant Valves

Destaques do produto:

Tipo de linha: Adaptador Storz forjado BSP angular de 65 mm com tampa de plástico UV

Tipo de entrada: Rolo de 80 mm ranhurado

Grau de material: Corpo, Castelo, Disco, Porca em CF8 (SS304); Haste em SS316 para maior resistência

Material de vedação: Borracha NBR para desempenho confiável à prova de vazamentos

Volante: Ferro fundido HT200 durável

Terminar: Revestimento pintado de vermelho de alta visibilidade

Pressão de Trabalho: 1.400kPa

Pressão de teste hidrostático: 2.700kPa

Pressão de teste de estanqueidade ao ar: 800kPa

Garantia: 12 meses


Conformidade Técnica:

Projetado e testado paraAS2419.2-2009

Operação suave do volante sem travamento após a montagem

100% inspecionado e testado – sem defeitos após testes hidrostáticos e de estanqueidade ao ar


Por que escolher SS304 em vez de latão?

Melhor resistência à corrosão: Ideal para ambientes agressivos onde o latão pode degradar com o tempo

Econômico: Oferece uma solução mais acessível sem comprometer a qualidade ou o desempenho

Leve, mas forte: Mais fácil de manusear e instalar, mantendo a integridade estrutural


Outras configurações disponíveis:

65 mm NSW macho x 80 mm ranhurado em rolo

Macho CFA de 65 mm x ranhura em rolo de 80 mm

65mm QRT Macho x 65mm Macho BSP

65mm BI x 80mm com ranhura em rolo

Macho QRT de 65 mm x ranhura em rolo de 80 mm

Adaptador Storz 65mm x BSP Macho 65mm

Esteja você atualizando um sistema existente ou especificando para um novo projeto, as novas válvulas de hidrante SS304 da JOEPAI oferecem oequilíbrio perfeito entre desempenho, conformidade e acessibilidade.

Contate-nos hojepara saber mais ou solicitar um orçamento.

Notícias relacionadas
Deixe-me uma mensagem
X
Utilizamos cookies para lhe oferecer uma melhor experiência de navegação, analisar o tráfego do site e personalizar o conteúdo. Ao utilizar este site, você concorda com o uso de cookies. política de Privacidade
Rejeitar Aceitar